厦工股份获得实用新型专利授权:“一种电动装载机制动系统”
2024年11月23日 | 小微 | 浏览量:67031

图片来源于网络,如有侵权,请联系删除
证券之星消息,根据天眼查APP数据显示厦工股份(600815)新获得一项实用新型专利授权,专利名为“一种电动装载机制动系统”,专利申请号为CN202420462147.1,授权日为2024年11月22日。
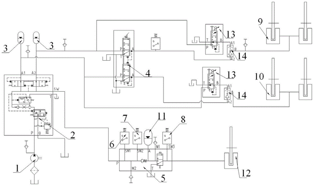
专利摘要:本实用新型公开了一种电动装载机制动系统,包括整车控制器以及依次管路相连的空压机、干燥器、组合阀、电磁换向阀、储气罐、电比例制动阀、加力泵和桥上制动钳;所述储气罐连接有第一气压传感器;所述整车控制器电连接于电磁换向阀、第一气压传感器和电比例制动阀。通过设置有组合阀、电磁换向阀和第一气压传感器,可有效降低空压机负荷率,而当第一气压传感器检测到储气罐内部的工作压力气压值达到高压设定值时,整车控制器控制电磁换向阀阻断组合阀与储气罐的连接,可使空压机无负载工作,提高空压机的寿命,有效降低整机能耗。

图片来源于网络,如有侵权,请联系删除
今年以来厦工股份新获得专利授权11个,较去年同期减少了8.33%。结合公司2024年中报财务数据,今年上半年公司在研发方面投入了1315.06万元,同比增18.16%。

图片来源于网络,如有侵权,请联系删除
数据来源:天眼查APP
以上内容为证券之星据公开信息整理,由智能算法生成,不构成投资建议。
版权声明
本文仅代表作者观点,不代表xx立场。
本文系作者授权xxx发表,未经许可,不得转载。
